A selection of some projects in the energy industry.
- energy concepts
- combined heat and power plants
- heat supply and controling
-
transport of heat storage vessel 200m³ volume
-
Assembly of heat storage vessel
-
insertion of heat storage vessel 200 m³ volume
-
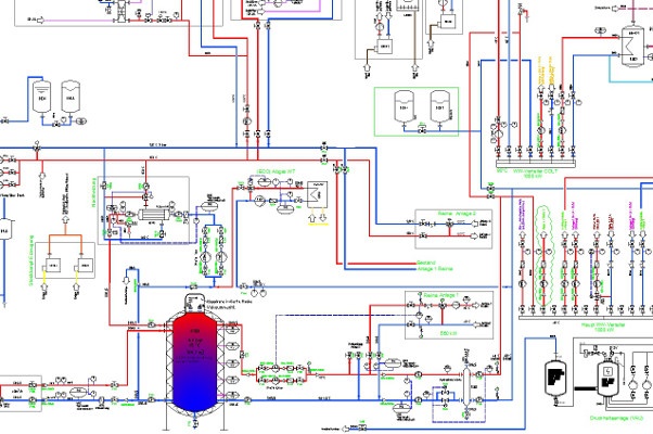
Flow chart of a heat supply plant with CHP and heat storage vessel
-
Cogeneration plant 5 MWel/ 10MWth, startup 2013
-
During assembly of direct heating pipeline
-
Look on a monitor of a control system in a cogeneration plant
-
CHP module 1.250 kWel